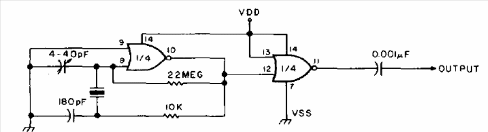
This circuit uses NOR ports to generate signals up to 10 MHz, depending on the crystal. The supply can be done with voltages from 5 to 15 V and the signal generated is rectangular.
This transmitter modulator amplifier for the 11-meter band (CB) was published in Radio Electronics...
This oscillator, which operates from 2 V, was found in the June 1993 issue of Radio Electronics magazine....
This amplifier for electrometer can work with currents of 0.1 pA in a band of 1 Hz. The circuit is...