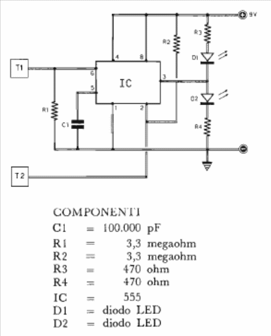
This circuit, very traditional, was found in a practical Elettronica of 1977. The source cannot be of the type without transformer, for security reasons and the indicators are common LEDs. The circuit works with voltages from 6 to 12 V, without problems.




