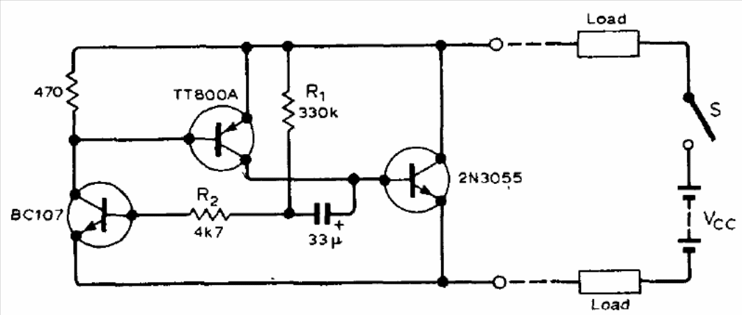
This circuit monitors the current in the loads. The NPN and PNP transistors admit the BC547 and BD136 pair as equivalent. The 2N3055 must be equipped with a heat sink according to the load and the maximum current is in the order of 5 A.
This circuit monitors the current in the loads. The NPN and PNP transistors admit the BC547 and BD136 pair as equivalent. The 2N3055 must be equipped with a heat sink according to the load and the maximum current is in the order of 5 A.