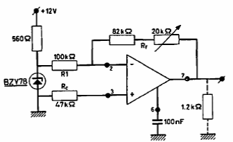
We found this circuit with 5.3V zener in a Philips publication from the 60s. The op amp could be a modern equivalent.
If you are on an old PC that you use for experiments, control or other applications, this circuit is...
We found this circuit in an American publication from 1977. The circuit drives two LEDs according to...
In this circuit, the integrated amplifier used is uncommon today. The circuit is from an American...