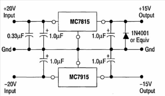
This source can supply currents up to 1 A. The circuit is from Motorola's 1993 Linear Interface ICs. The integrated circuits must be mounted on heat radiators.

This source can supply currents up to 1 A. The circuit is from Motorola's 1993 Linear Interface ICs. The integrated circuits must be mounted on heat radiators.
