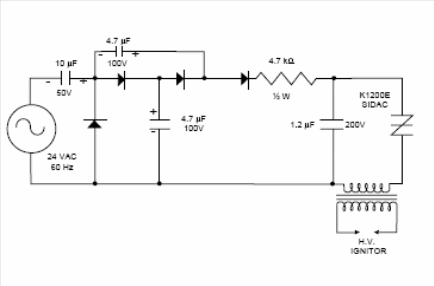
SIDACs are not yet common components in power applications that involve voltage tripping. However, they can advantageously replace other negative-resistance devices such as SCRs in some applications. The circuit shown in the figure is suggested by Teccor (www.teccor.com), which have in their product line several SIDACs with different trigger voltages, in the range of 100 to 300 V. The circuit shown is nothing more than an oscillator of relaxation where a 1.2 uF capacitor is discharged through the primary of a transformer generating the high voltage responsible for the spark that ignites the gas. In the indicated application, the SIDAC is connected to the capacitor discharge circuit and the capacitor together with a 4.7k ohm resistor forms the RC circuit responsible for the oscillations. The voltage that supplies the circuit comes from the secondary of a 24 v transformer passing through a voltage doubler with 4 diodes.




