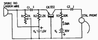
This circuit for high-impedance magnetic headphones was suggested as an experimental amplifier for hearing aid in a 1954 publication on transistors. The microphone is a carbon type, common at the time.

This circuit for high-impedance magnetic headphones was suggested as an experimental amplifier for hearing aid in a 1954 publication on transistors. The microphone is a carbon type, common at the time.
