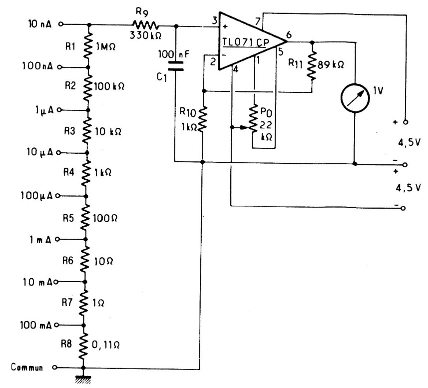
This circuit is designed to measure very weak currents, in the nanoampères range, using the 1 V scale of a common multimeter. The circuit needs a symmetrical source. Accuracy depends on the input resistors. The circuit is from a French documentation from 1982.




