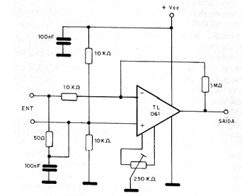
This circuit is an application for an operational amplifier with field effect transistors from Texas Instruments and is intended for the amplification of low frequency signals (audio) with excellent performance. The 1M resistor together with the 10k input resistors determines the gain while the impedance is 50 ohms. The trimpot adjusts the symmetry of the signal, acting on the output offset voltage. The supply can be done with voltages from 1.5 to 12 V.




