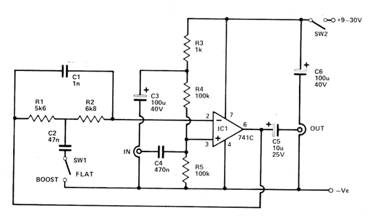
This circuit reinforces the treble, working as a booster for instruments or home theater. The circuit must be powered by a source with excellent filtration. It was found in a 1979 documentation.

This circuit reinforces the treble, working as a booster for instruments or home theater. The circuit must be powered by a source with excellent filtration. It was found in a 1979 documentation.
