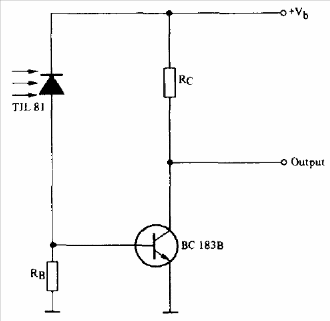
The circuit presented was suggested by Texas Instruments in an opto-electronics manual. The transistor can be the BC548 and the supply voltage depends on the application.
This simple two-transistor receiver was found in Radio Electronics magazine from September 1960....
We found this circuit in an article in Radio Electronics magazine from November 1971. The circuit has...
This single trigger circuit has been indicated for photography applications. The circuit is from a...