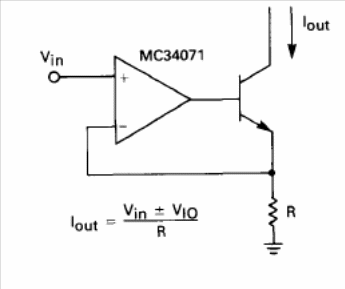
Equivalent operational amplifiers can be used in this circuit suggested by Motorola in its 1990 Linear Databook. The transistor depends on the load current.

Equivalent operational amplifiers can be used in this circuit suggested by Motorola in its 1990 Linear Databook. The transistor depends on the load current.
