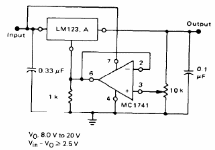
The LM123 series (223 and 333) is manufactured by several semiconductor companies. The circuit below uses the 741 and provides up to 3 A of output. The circuit is from the Motorola's 1990 Linear Databook.

The LM123 series (223 and 333) is manufactured by several semiconductor companies. The circuit below uses the 741 and provides up to 3 A of output. The circuit is from the Motorola's 1990 Linear Databook.
