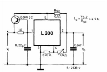
This circuit was obtained in the SGS manual of linear integrated circuits of 1982. The transistor can be replaced by an equivalent with appropriate current. In the formula we have the calculation of the resistor, which for this case was determined for a current of 4.5 A.




