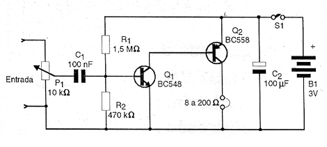
We can use this amplifier with low impedance headphones with good performance. Possible applications for this circuit range from signal followers and experimental radios to a simple stethoscope. The resistors are 1/8W and the power can be done with just two small batteries.




