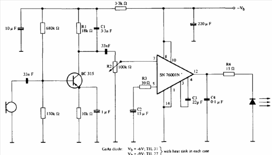
This transmitting circuit for an infrared intercom is from Texas Instruments. The operational admits equivalent and the transistor can be the BC558. Observe the polarity of the supply. The circuit uses a ceramic microphone but can be adapted to use electret.




