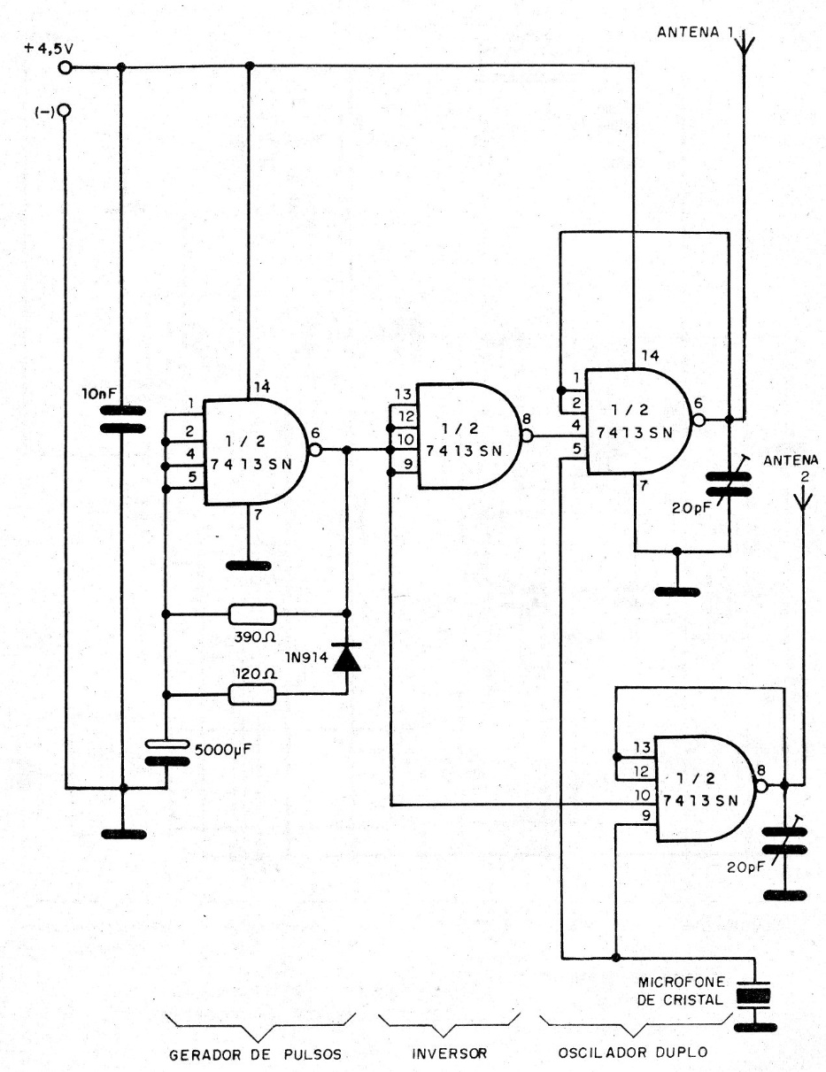
In the absence of a modulation signal, the carrier of this simple short-range transmitter is cut off. The circuit does not use coils and therefore its emission spectrum contains many harmonics. The signal can be picked up on a medium, short wave or even FM radio. We found this circuit in a 1993 documentation.




