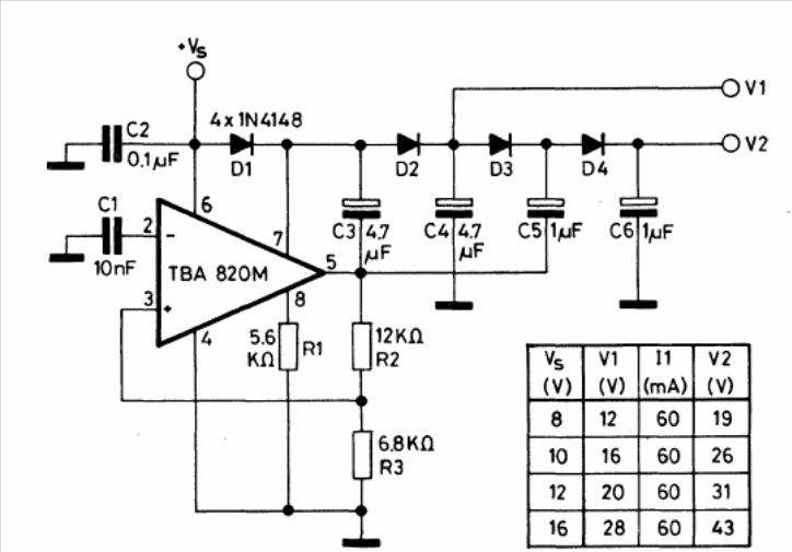
Datasheet of We found this circuit in the 1982 SGS Linear Integrated Circuits manual. A | table gives the obtained voltages, remembering that the output current is low. The circuit can be powered by voltages from 8 to 16 V with outputs from 19 to 43 V.
Suggested by a 90’s Radio Electronics, this circuit automatically activates the recording switch of an...
Found in a 1960s Electronic Design, this circuit provides a signal from the sensing of an analog...
Operating at a frequency of around 180 kHz, this transmitter was found in a Science & Electronics...