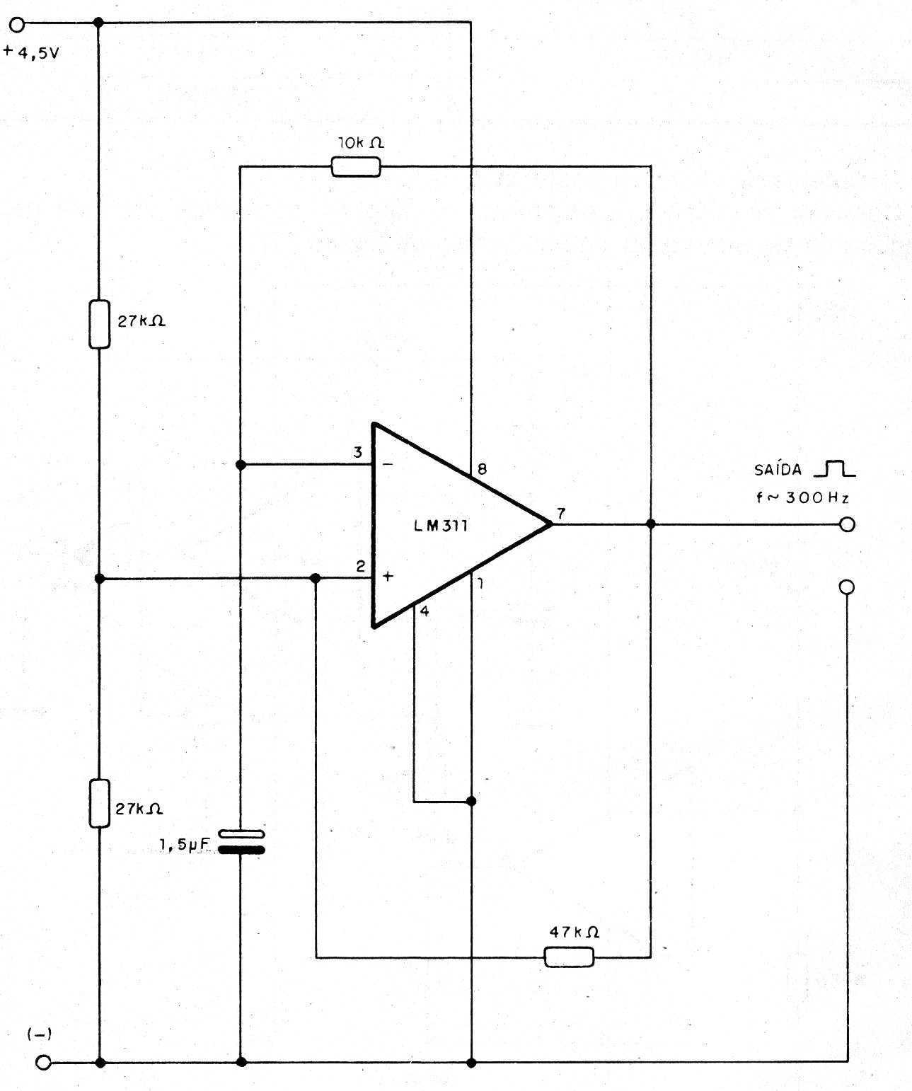
We found this circuit in a 1993 documentation. The circuit can be implemented with other operational amplifiers and the frequency can be changed by changing the capacitor. The power supply does not have to be symmetrical.
We found this circuit in a 1993 documentation. The circuit can be implemented with other operational amplifiers and the frequency can be changed by changing the capacitor. The power supply does not have to be symmetrical.