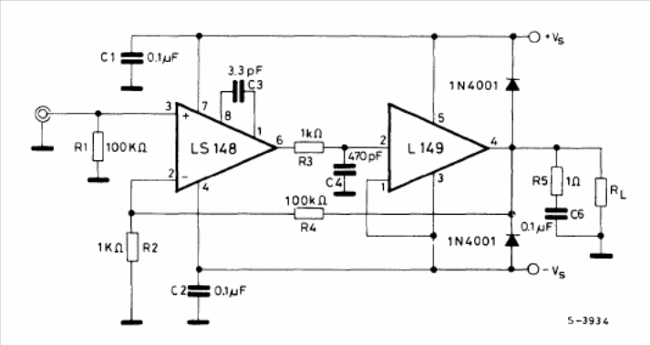
We found this circuit in the 1982 SGS linear integrated circuit manual. The L149 is not common today and the circuit can be implemented with equivalents.
The circuit shown in Figure bellow generates frequencies of 50 Hz, 100 Hz, and 200 Hz. The circuit uses a...
This circuit protects power supply equipment against transients coming from the power line as well as...
This circuit can be used as a shield for microcontrollers such as the Arduino. Frequency is given...