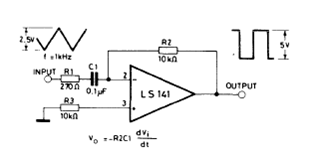
The LS141 integrated circuit is like to the 741, the circuit is from the 1982 SGS linear integrated circuit manual. The formula next to the diagram is used to calculate R2 and C1 according to the frequency.

The LS141 integrated circuit is like to the 741, the circuit is from the 1982 SGS linear integrated circuit manual. The formula next to the diagram is used to calculate R2 and C1 according to the frequency.
