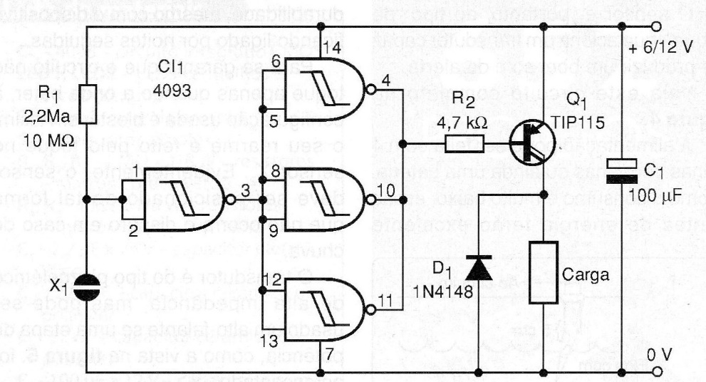
In the figure we show our first circuit that consists of a simple touch switch capable of driving a relay or other loads with currents up to 1 A, in the case of the transistor used. Higher current equivalent transistors can be used to achieve control of larger loads. When the sensor is touched, the output of the first port goes to the high level and with that the next ports, connected in parallel, receiving this signal, have their output going to the low level. The low level is applied to the base of the transistor which then saturates feeding the load. Note that the circuit remains active only for as long as the sensor is touched. When the fingers are removed from the sensor, the charge is immediately deactivated. The circuit can operate with voltages from 5 to 12 V, depending only on the load to be supplied. Resistor R1 determines the sensitivity to touch. For the sensor use two metal plates 1 mm apart so that they can be touched simultaneously and do not use wires longer than 1 m for their connection to the circuit. The transistor must be mounted on a heat radiator if the load current is greater than 200 mA.




