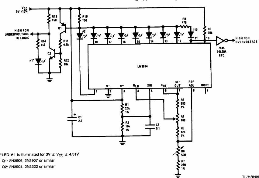
This circuit provides a logic output signal when the voltage exceeds a certain value. The circuit is from the 1994 Linear Applications Handbook by National Semiconductor.
The circuit shown in Figure bellow generates frequencies of 50 Hz, 100 Hz, and 200 Hz. The circuit uses a...
This circuit protects power supply equipment against transients coming from the power line as well as...
This circuit can be used as a shield for microcontrollers such as the Arduino. Frequency is given...