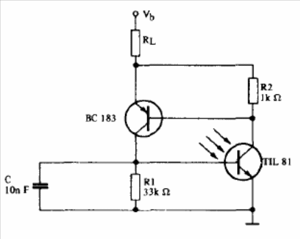
The circuit shown in the figure simulates an SCR with two complementary transistors, one of which is a phototransistor. The bipolar can be the BC558. The circuit is from a Texas Instruments optoelectronics manual.

The circuit shown in the figure simulates an SCR with two complementary transistors, one of which is a phototransistor. The bipolar can be the BC558. The circuit is from a Texas Instruments optoelectronics manual.
