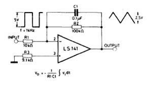
This circuit is from the 1982 SGS linear integrated circuit manual. The LS141 is like to the 741 and the power supply must be symmetrical. Next to the diagram is the formula that describes the operation of the circuit.

This circuit is from the 1982 SGS linear integrated circuit manual. The LS141 is like to the 741 and the power supply must be symmetrical. Next to the diagram is the formula that describes the operation of the circuit.
