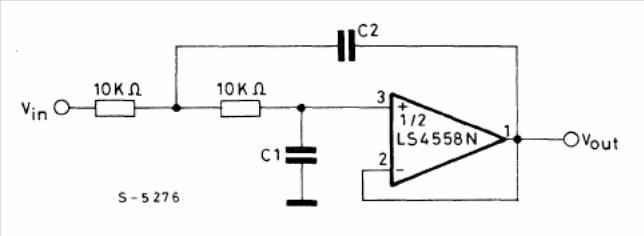
We found this circuit in the 1982 SGS Linear Integrated Circuits manual. The integrated circuit used is like to a double 741. The table gives the capacitor values for different cutoff frequencies. The source must be symmetrical from 6 to 12 V.

We found this circuit in the 1982 SGS Linear Integrated Circuits manual. The integrated circuit used is like to a double 741. The table gives the capacitor values for different cutoff frequencies. The source must be symmetrical from 6 to 12 V.
