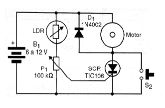
A flash of light directed at the LDR causes the SCR to fire and the motor to be activated in the circuit of the figure. To switch off, which can be done by a pressure switch, limit switch, reed-switch, or other type of sensor, activate S2. The circuit sensitivity is set at P1. To obtain greater directivity and sensitivity of the LDR, avoiding activation by ambient light, it must be installed in a small opaque tube with a converging lens in front of it. If there is a tendency to erratic shutdown by switching the motor, a capacitor of 100 to 1 000 uF must be connected in parallel with the motor. The SCR will only need a small heat radiator if the engine requires currents of more than 500 mA. This circuit can control currents of up to 2 amps. It should be remembered the voltage drop of 2 volts produced in the SCR while driving.




