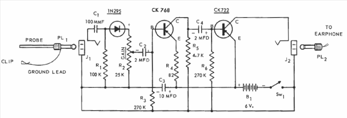
We found this circuit in a 1957 Raytheon transistor publication. The circuit can be assembled with more modern transistors with minor changes. The handset must be high impedance magnetic.
Found in a 1970 EEE, this circuit uses general-purpose transistors of the time. Transistors support...
The Texas Instruments PLLatinum ™ synthesizer can be obtained from Mouser Elecgtronics to generate...
The purpose of this circuit is to trigger an oscillator with the light of dawn. The tone of the...