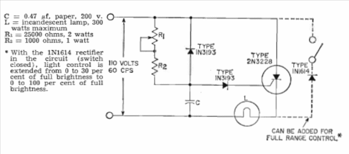
This traditional dimmer configuration for incandescent lamps and heating elements was found in an RCA transistor manual. SCR can be a more modern equivalent like TIC106, depending on the power grid.
Found in a 1970 EEE, this circuit uses general-purpose transistors of the time. Transistors support...
The Texas Instruments PLLatinum ™ synthesizer can be obtained from Mouser Elecgtronics to generate...
The purpose of this circuit is to trigger an oscillator with the light of dawn. The tone of the...