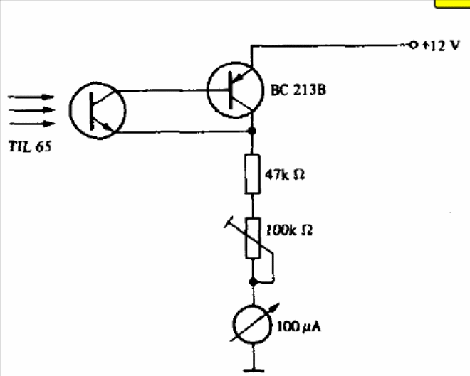
This light intensity meter is from a 1978 Texas Instruments optoelectronics manual. The phototransistor can be of any type and the transistor can be the BC558. The adjustment of the full scale is done in the trimpot.
This light intensity meter is from a 1978 Texas Instruments optoelectronics manual. The phototransistor can be of any type and the transistor can be the BC558. The adjustment of the full scale is done in the trimpot.