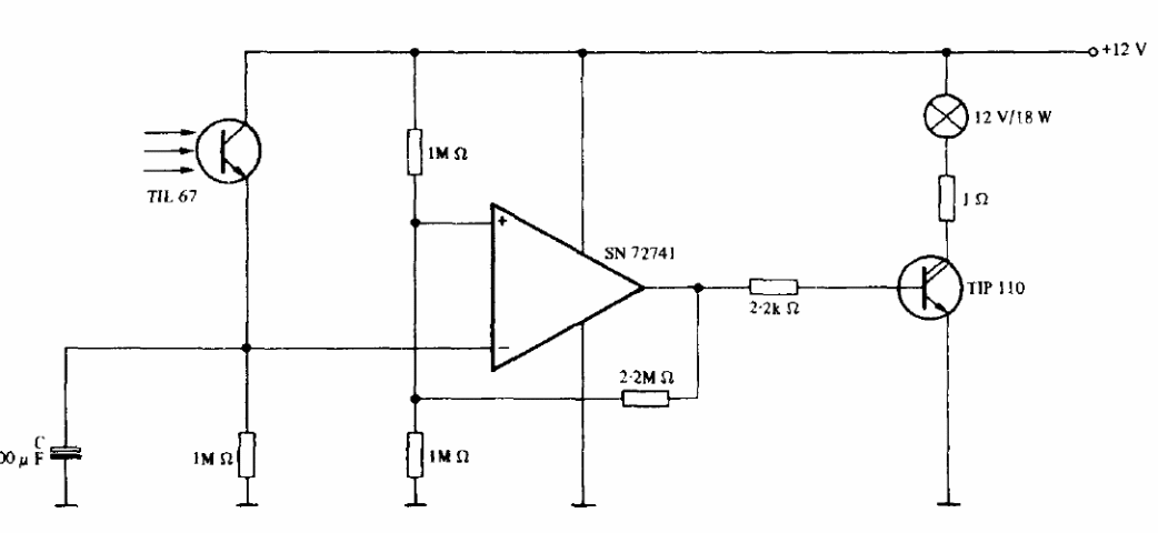
We found this parking light circuit for automotive use in a Texas Instruments optoelectronics documentation. The Darlington transistor can be replaced by others in the TIP line.
Found in a 1970 EEE, this circuit uses general-purpose transistors of the time. Transistors support...
The Texas Instruments PLLatinum ™ synthesizer can be obtained from Mouser Elecgtronics to generate...
The purpose of this circuit is to trigger an oscillator with the light of dawn. The tone of the...