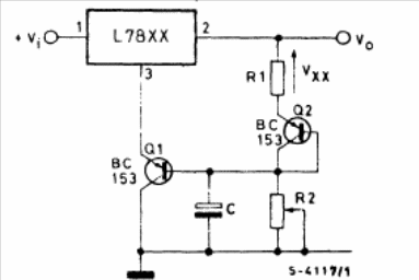
SGS's L78xx is equivalent to the regular 78xx. The circuit was found in the SGS manual of linear integrated circuits of 1982. For R1 a resistor of 220 ohms can be used and for R2 a trimpot of 4k7. The transistors can be the BC558. The maximum output current is 1 A.




