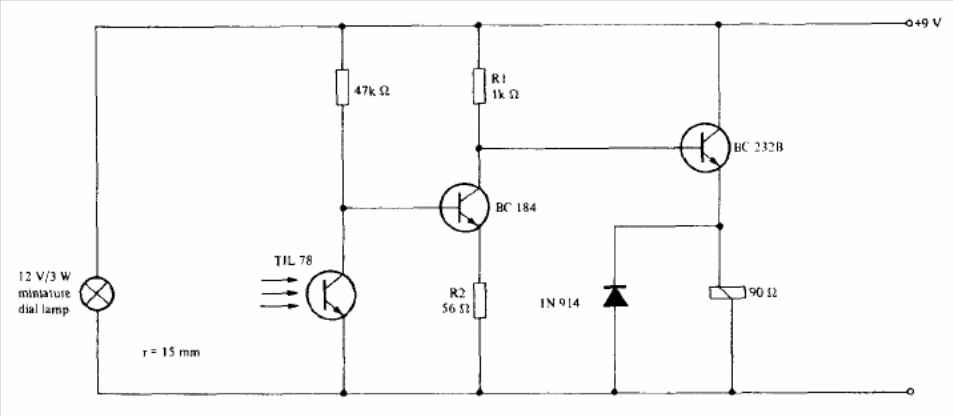
The recommended distance between the emitter and the sensor of this coupler is 15 mm. The circuit is suggested by Texas Instruments in its opto-electronics manual. The power depends on the relay and the transistors can be the BC548.
The recommended distance between the emitter and the sensor of this coupler is 15 mm. The circuit is suggested by Texas Instruments in its opto-electronics manual. The power depends on the relay and the transistors can be the BC548.