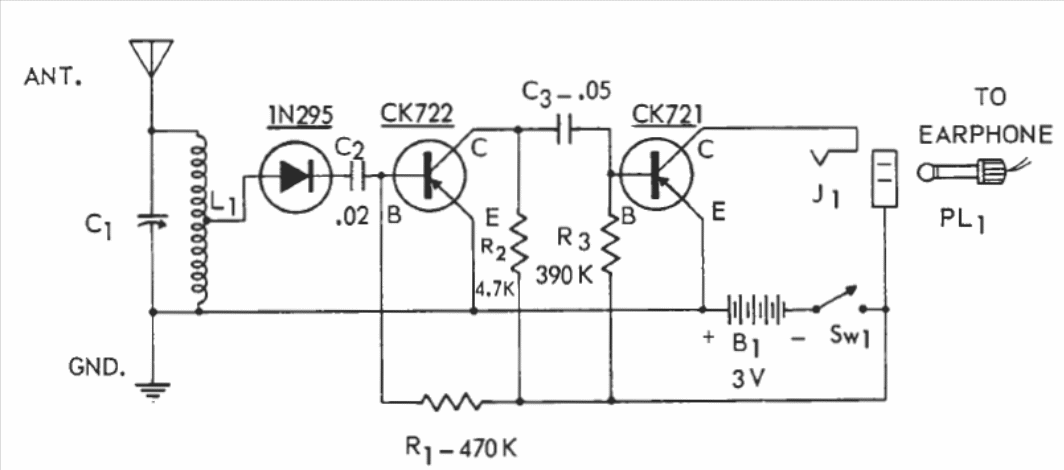
We found this MW radio in a 1957 Raytheon publication. The transistors can be modern equivalent types like the BC548, and the diode can be the 1N34. The coil has 30 + 70 turns of wire 28 in a ferrite rod the antenna must be long. The handset must be high impedance magnetic.




