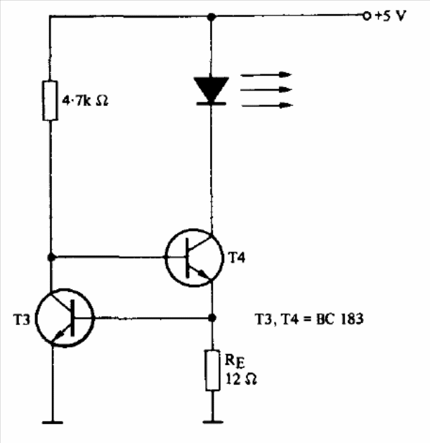
In this circuit the regulation is made from a circuit in the LED cathode. The configuration is from a 1978 Texas Instruments optoelectronics manual, which can use more modern equivalent transistors. The current is determined by RE and is around 20 mA.




