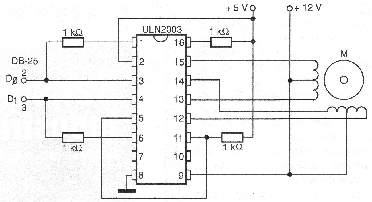
This circuit consists of a variation of a 4-input control, with the difference that we have only two inputs used. Thus, the coils are energized with the following sequence of input commands that can come directly from the parallel port of a PC or from digital logic TTL or CMOS:
Coil 1 - 00
Coil 2 - 01
Coil 3 - 10
Coil 4 - 11
In this case, the maximum current that the ULN2003 integrated circuit can supply is 500 mA per winding. Note that here we have a double power supply that must have 5 V for the internal logic and 12 V for the motor supply. It is important to note that the CI ground on pin 8 must be common to the PC or digital drive circuit and to the 12 V and 5 V circuit.




