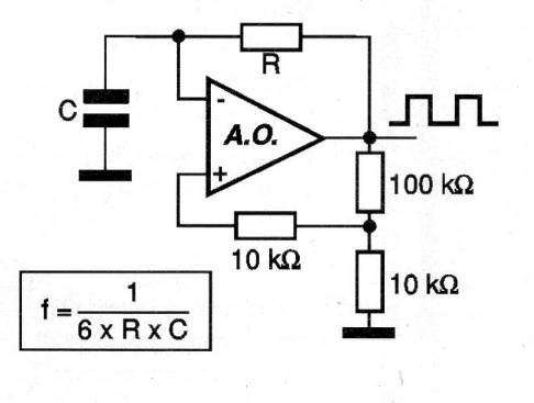
In the figure we have the basic configuration of a rectangular oscillator using an operational amplifier like the 741. The power supply must be symmetrical, and the frequency can be calculated as a function of R and C by the formula next to the diagram. The maximum value of f depends on the operational amplifier used.




