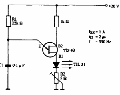
The selected circuit generates short duration pulses at a frequency determined by R1 and C1. The unijunction transistor can be 2N2646 and the intensity and duration of the pulse are adjusted in the trimpot. The circuit is from the Texas Instruments optoelectronics manual.




