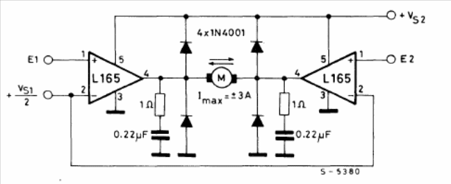
We found this shield circuit in the SGS Integrated Circuits Manual of 1982. The circuit is compatible with TTL and CMOS logic applied to inputs E1 and E2. Vs2 must be greater than Vs1 and the maximum motor current is 3 A with bidirectional control. This circuit can be used as a shield for microcontrollers.




