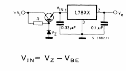
This circuit is from the SGS Integrated Circuits Manual of 1982. The integrated circuit used is equivalent to the 78xx and the transistor can be any power with current and voltage according to the output.

This circuit is from the SGS Integrated Circuits Manual of 1982. The integrated circuit used is equivalent to the 78xx and the transistor can be any power with current and voltage according to the output.
