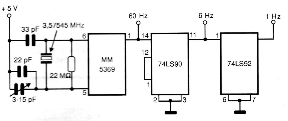
The circuit shown in the figure generates signals of 6 Hz and 1 Hz, which can be used in stopwatches, clocks and instruments that need a pattern of this frequency obtained from crystal. The frequency of the crystal is critical and TTL integrated circuits are common and must be supplied with a voltage of 5 V.




