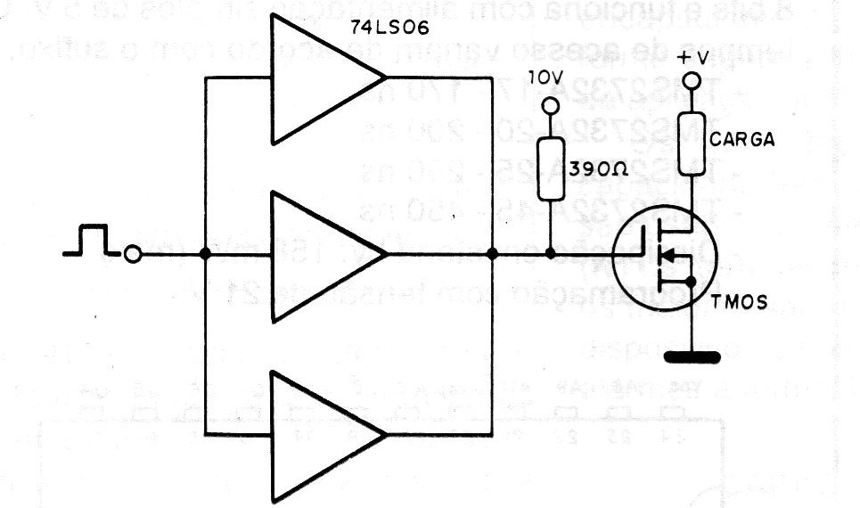
Excitation of power loads with a T-MOS transistor (Motorola) using TTL-LS (Low Power Schottky) logic, must be done as shown in the figure. This circuit has a 45 ns turn-on delay and a 30 ns turn-off delay with a rise time of 30 ns, and a drop time of 140 ns. Power MOS transistors of the lRF series can be used in this circuit to excite loads with up to several amps of current.




