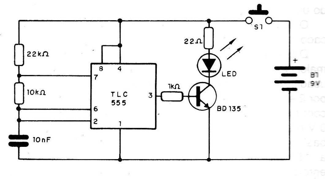
The purpose of this circuit is to 'produce a beam of infrared rays modulated at a frequency that depends on the components next to the 555 and which in the example, is of the order of a few kilohertz. This frequency can be increased up to 100 kHz by exchanging the 10 nF capacitor for a smaller one and the 10 k resistors for others whose minimum value is 1 k ohms. OLED must be of power, with a current of at least 80 mA and the circuit can be supplied with voltages from 3 to 9 V. For continuous operation, the transistor must be equipped with a heat radiator.




