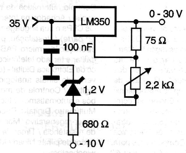
This voltage regulator step can be used for a variable source from 0 to 30 V with a maximum output current of 3 A. The rectifier circuit must deliver high around 33 to 35 V to the regulator for better operation. The 1.2 V zener diode makes it possible to establish a negative voltage reference in order to obtain zero volt for the circuit. Note that it is necessary to have a sector that provides a negative voltage of 10 V for this reference diode. The integrated circuit must be equipped with a suitable heat radiator.




