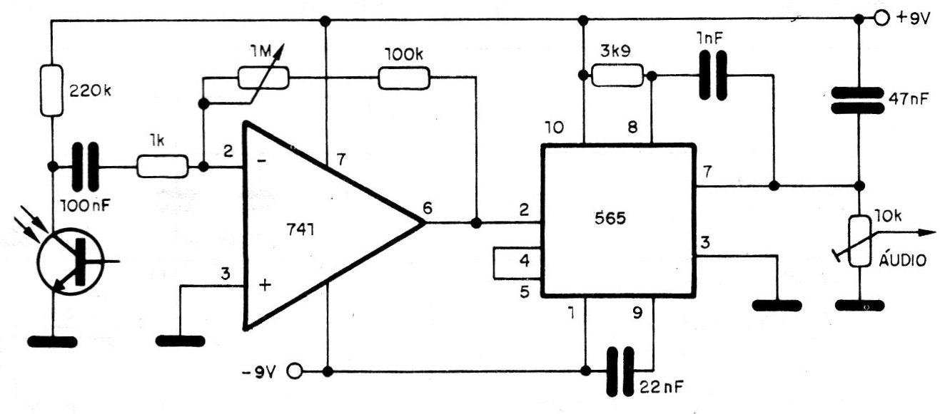
In the figure we have a receiver for frequency modulated light signals (see the transmitter in CB15960E). The 3k9 resistor together with the 1 nF capacitor determines the tuned frequency. Eventually the resistor can be replaced by a trimpot to make tuning easier. The signal obtained is audio and can be applied to the input of a common amplifier. The used phototransistor depends on the emitter, and the 220k resistor must eventually be changed in order to obtain the best performance.




