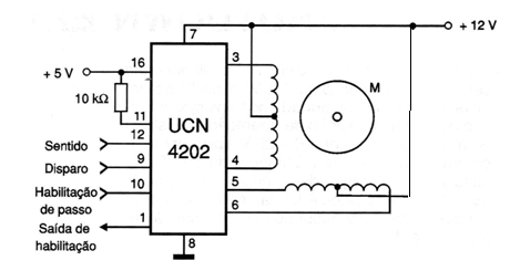
The UCN4202 integrated circuit contains 4 power drivers capable of directly driving a 12 V stepper motor 16. The integrated circuit in the logic part is supplied with a voltage of 5 V, which makes its inputs compatible with TTL or CMOS logic. Note Enabling that it has sense control, triggering and enabling of step and enabling of step.




