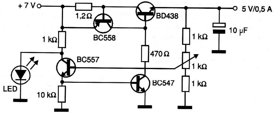
The voltage regulator circuit described is highly accurate and uses discrete components (transistors). Its output is indicated for supplying TTL functions with a current of up to 500 mA. The BD438 transistor supports an equivalent and must be mounted on a heat radiator. The input voltage must be between 7 and 10 V. The LED used as reference in the circuit is common red, and the exact adjustment of the output voltage is made in the 1 k ohms trimpot. Other voltages can be obtained from this circuit by changing the component values.




