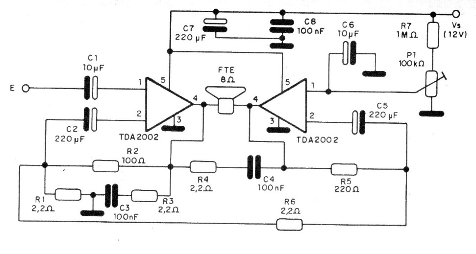
This amplifier provides up to 15 W of output when powered by a simple 12 V source. The integrated circuit must have an excellent heat sink.
This circuit was found in the January 1989 issue of Radio Electronics magazine. The circuit sends...
We found this TTL power supply circuit in the December 1972 issue of Radio Electronics magazine. The...
This circuit was found in an American documentation from the 1980s. The sensitivity ranges from...