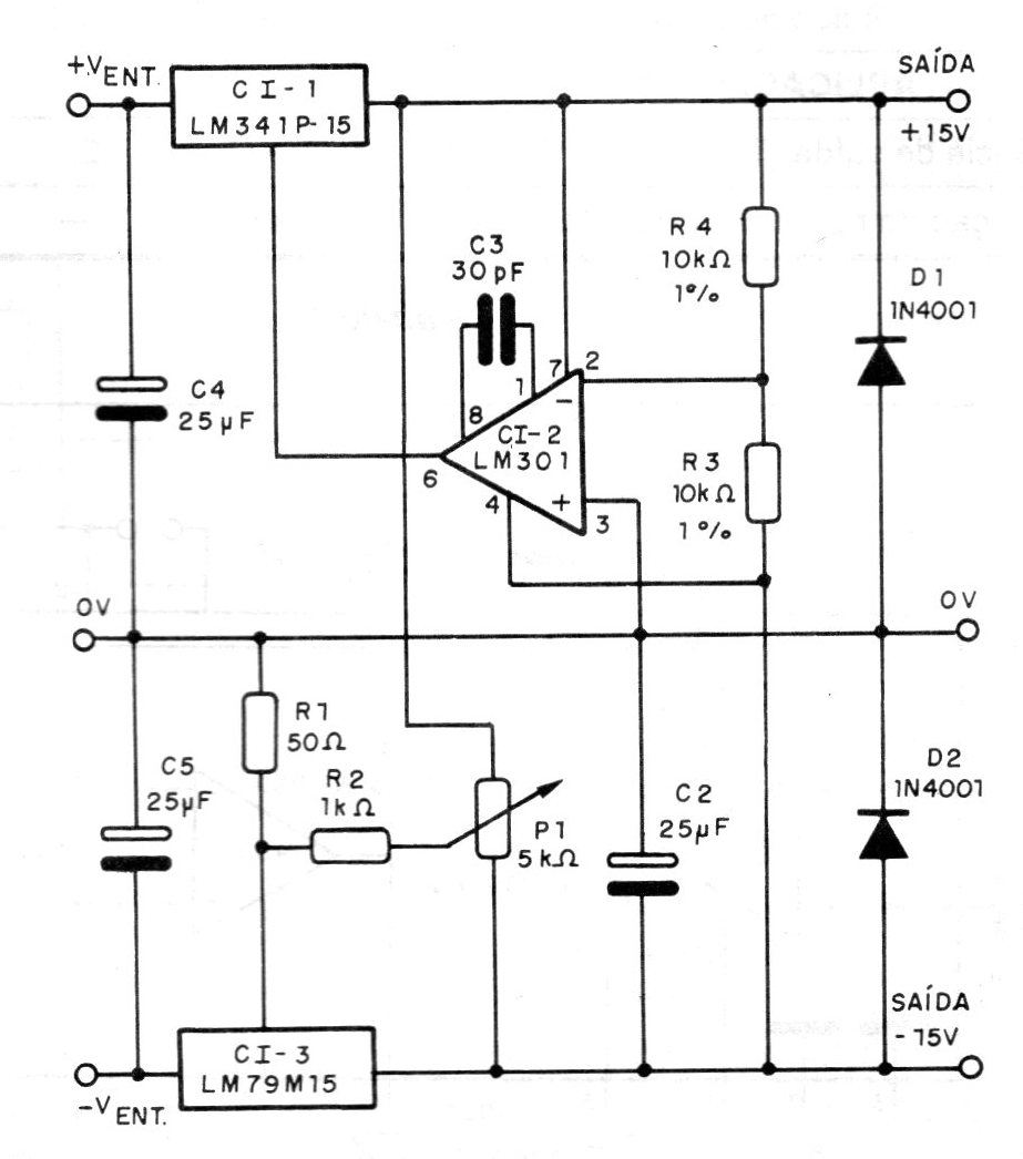
This circuit is suggested by National Semiconductor and can serve as a basis for an excellent symmetrical power supply with current up to 1 amp. The circuit performance is given in the Table below. Resistors R4 and R5 should have the closest possible values as they determine the symmetry of the source voltage. Capacitors C4 and C5 are required if the source filter capacitor is too far from the voltage regulators.





