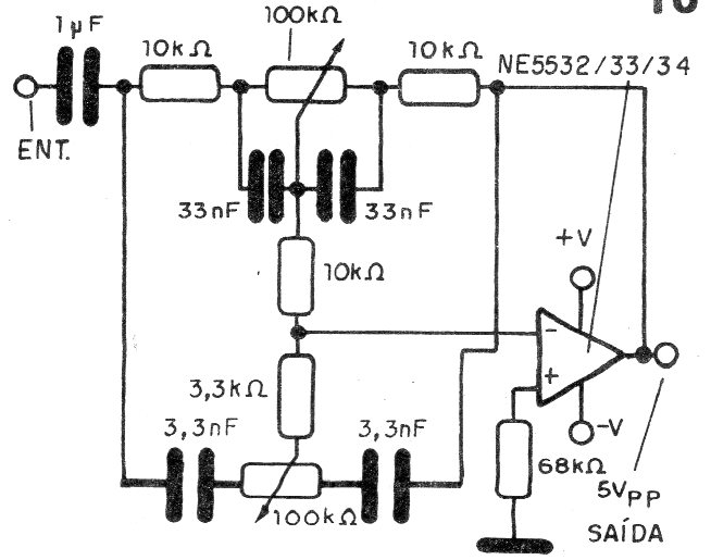
This circuit is from 1992 documentation. In it we have the way to implement a Baxandall control using an operational amplifier. The circuit must be supplied with a symmetrical source. Operationals like the 741 can be used.
This circuit is from 1992 documentation. In it we have the way to implement a Baxandall control using an operational amplifier. The circuit must be supplied with a symmetrical source. Operationals like the 741 can be used.